石化製程最佳化工具
AVEVA™ Process Optimization
AVEVA™ Process Optimization 是一套利用嚴謹的熱力學運算
來最大化煉製、化工、石化等工廠製程經濟效益與工廠表現的即時製程優化工具
AVEVA™ Process Optimization 為目前世上唯一特別設計用以處理煉製、化工、石化等連續製程對於即時、非線性優化需求的一套完整解決方案。它能利用即時製程資訊以及經濟數據(例如原油價格、產值、消費指數等),協助您找到最佳製程條件與最大營運收益的平衡點,同時符合您的企業制定的規範。
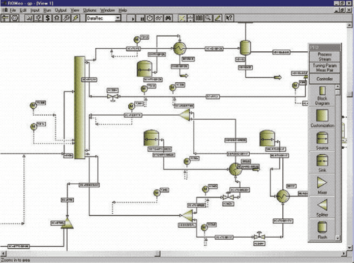
AVEVA™ Process Optimization 融合數項功能並且使用拖放方式的操作介面,讓您使用上更加直覺,縮短學習時間:
- 嚴謹的熱量與物質平衡模擬系統
- 數據校正
- 總誤差偵測
- 經濟效益優化
- 工廠表現監控
利用第一性原理(First Principle)的即時預測模擬模型,用以優化製程、校正數據以及" what-if "分析
客製化任務排程並且自動化事件序列,用來優化閉環環境
結合您熟悉的 Excel 使用介面,取得經濟收益與相關 KPI 的預測模型
AVEVA™ Process Optimization 融合了許多經過實績認證的模組化功能於一身
 
 
其他人也看了這些解決方案 !
下方連結能帶您瞭解更多相關的產品資訊。
 
